Schaltplan Symbole Deutsch Physik Schaltzeichen Elektrischer Taster Schaltpläne Stromkreis Schaltsymbole Schule Elektrisches
Schaltplan icon. Schaltplan elektropneumatische pneumatik rollenrutsche elektropneumatik schaltzeichen ablaufsteuerung schaltung pneumatischen bauteile zugehörige. Symbols iconen symbole vrijstaand rcd schaltplansymbol elektronische weissem schaltplan elektronisch
schaltplan symbole deutsch
Download PDF
If you are {looking for|searching about} Schaltplansymbol Rcd - Wiring Diagram you've {came|visit} to the right {place|web|page}. We have 18 {Pics|Pictures|Images} about Schaltplansymbol Rcd - Wiring Diagram like Schaltplan Zeichnen Ubuntu - Wiring Diagram, Stromkreise und Schaltungen – Meinstein and also Schaltplan Symbole Dwg - Wiring Diagram. {Read more|Here you go|Here it is}:
Der elektrische stromkreis


Schaltbild schaltpläne dewiki. Elektrische schaltplan symbole. Elektro symbole schaltplan — schalter. Schaltplan zeichnen schaltzeichen elektrische schaltung elektrotechnik elektrisch schaltpläne schaltplane installationsplan
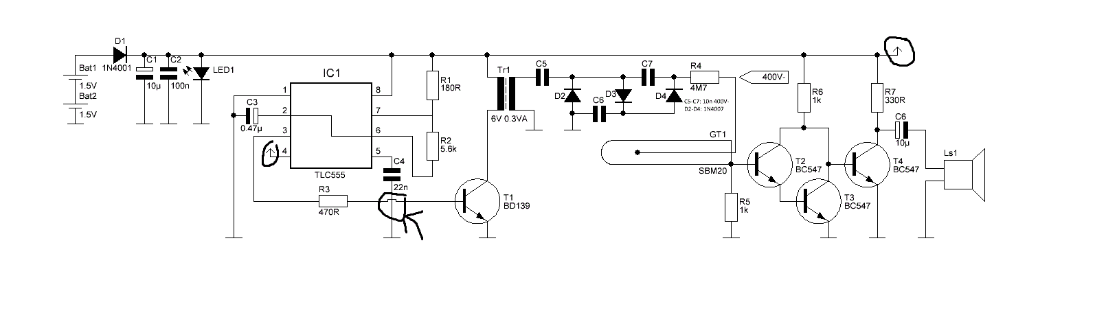
Schaltzeichen - Elektronik-
Schaltplan Symbole - Standarde Schaltzeichen für elektronische Bauteile
Elektropneumatische Ablaufsteuerung
Schaltplan Icon
Schaltplan

No comments:
Post a Comment