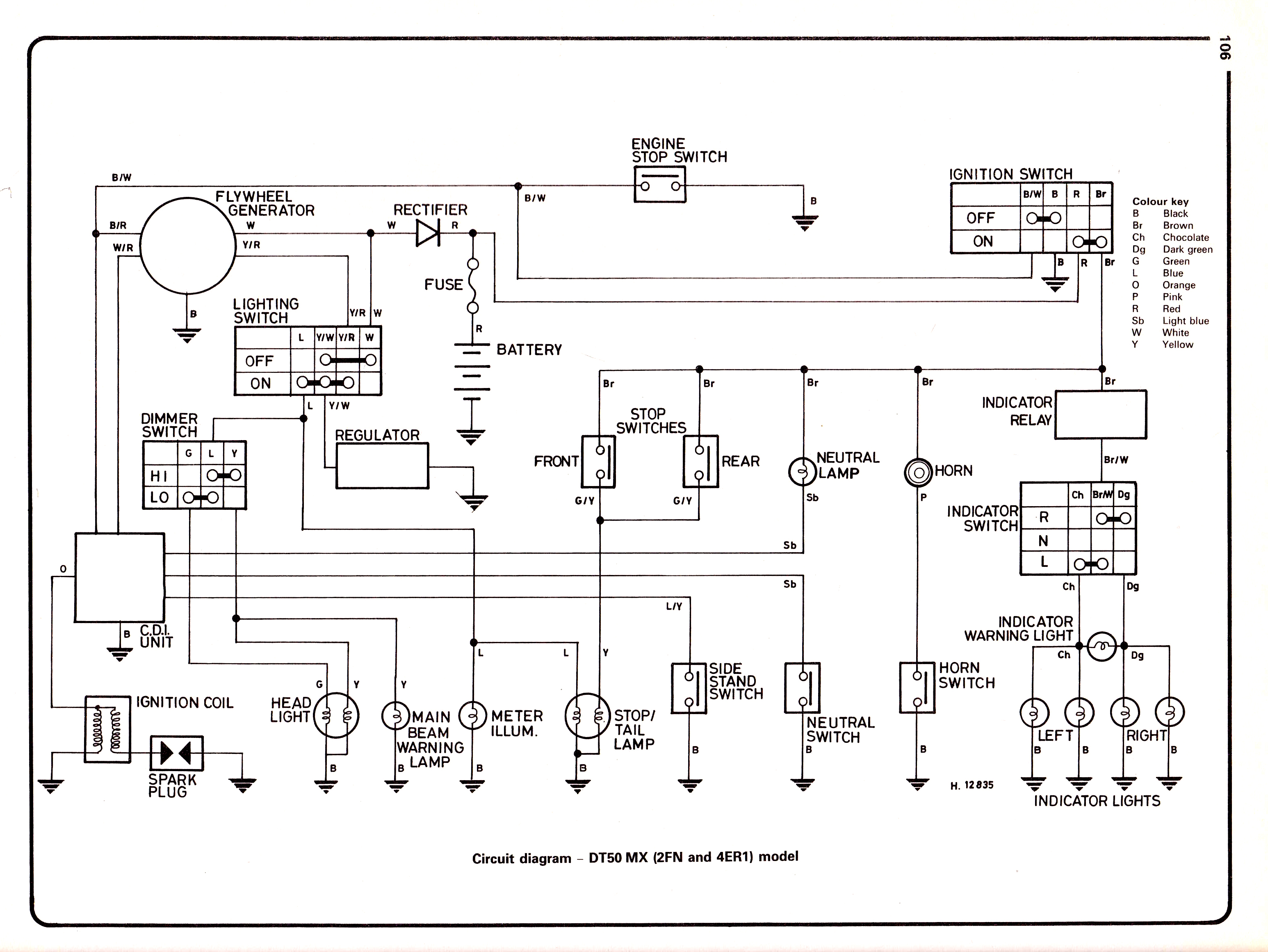
Schaltplan Yamaha Dt 50 M Schaltplan Yamaha Dt 80
If you are {looking for|searching about} Yamaha Dt 125 4bl Schaltplan - Wiring Diagram you've {came|visit} to the right {place|web|page}. We have 14 {Pics|Pictures|Images} about Yamaha Dt 125 4bl Schaltplan - Wiring Diagram like Bild ansehen - DT 50 MX Schaltplan • 50er-Forum, Yamaha Dt 50 Mx Schaltplan - Wiring Diagram and also www.express-ig.de. {Read more|Here you go|Here it is}:





No comments:
Post a Comment