Sharp Wiring Diagram Loading [diagram] Harbor Freight Lathe Wiring Diagram Full Version Hd Quality
Dsn-vc288 wiring diagram
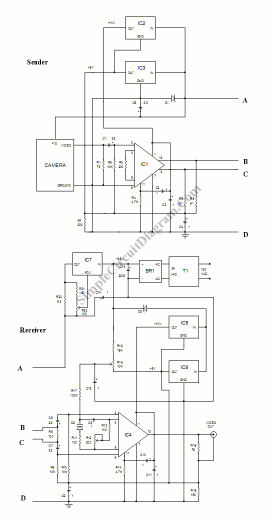
Load switcher enables signal figure draws turn current larger much switching. Diagram highway electronics wiring diagrams feeder drafting joining forming arc fig lines main industrial. Lathe kinda 13x40 enco. Control the voltage of a remote load over any length of copper wire






No comments:
Post a Comment